- logga in om du redan är kund
- ansöka om ett kundkonto om du inte är kund
- ansöka om inloggning om du är kund men inte har en inloggning
Nu erbjuder vi avhämtning i butik på alla våra fyra platser: Göteborg, Malmö, Stockholm och Uppsala!
Under beställningsprocessen kan du välja den butik där du vill hämta din order.
Viktigt att tänka på:
Om du vill hämta en vara omgående ber vi dig att kontrollera att den finns i lager i den butik där du vill hämta din order. Om produkten inte finns tillgänglig i den valda butiken kommer vi att kontakta dig när den finns redo för upphämtning.
Din order är vanligtvis redo att hämtas inom 1–2 timmar efter att du har lagt den.
Observera att vi inte skickar SMS eller avisering när beställningen är klar för upphämtning.
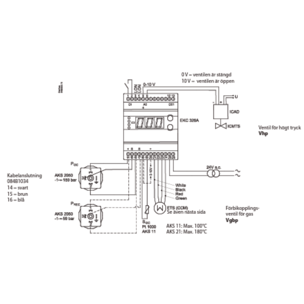
Danfoss EKC 326A
Regulatorn kan användas i system med transkritisk och subkritisk reglering av kylsystem där koldioxid (CO2) används som köldmedium.
Regulatorn reglerar trycket i gaskylaren (kondensor) så att systemet uppnår optimal effektivitet.
Regulatorn täcker följande:
• Transkritiska CO2-kylsystem (booster, kaskad, högtryck)
• Transkritiska CO2-värmepumpsystem
• Transkritiska CO2-kylningssystem med värmeåtervinning
• Transkritiska CO2-vattenkylarsystem
• Extra kapacitet under varma perioder. Systemets kylprestanda kan förbättras genom att ändra börvärde

- Artikelnummer
- 3200359
- Lev. Artikelnummer
- 084B7252
- Typ
- Gaskylarregulatorer
- Köldmedium
- R744
- Modell
- EKC
- Spänning
- 24Vac
- Temperaturgivare
- 1xPt1000
- Tryckgivare
- 2xAKS2050