Fri frakt för webbordrar över 3000 kr
Över 100 varumärken
Dagen efter-leverans vid order före 15:30
I lager
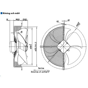
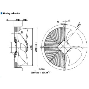
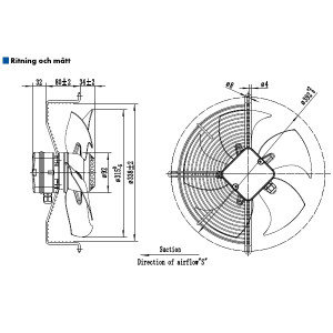
Varumärke
Modell
Typ
Fläkttyp
Diameter